18 Richards Cir Newton, MA 02465-1725
Visit 18 Richards Cir in Newton, MA, 02465-1725
This profile includes property assessor report information, real estate records and a complete residency history.
We have include the current owner’s name and phone number to help you find the right person and learn more.
PROPERTY OVERVIEW
Type: Single Family
3 beds1.5 baths2,399 sqft
3 beds1.5 baths2,399 sqft
Facts
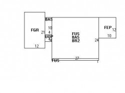
Built in 1950Foundation type: Concrete Property use: Single FamilyRoof type: Gable Lot size: 7,741 sqftRoof material: Asphalt Shingl Effective area: 1,913 sqftHeat type: Hot Wtr Radiat Gross building area: 2,399 sqftFuel type: Oil Building type: ResidentialFrontage: 72 feet Rooms: 6Basement area: 648 sqft Bedrooms: 3Finished basement area: 162 sqft Stories: 2Porch area: 16 sqft Exterior condition: AverageEnclosed porch area: 120 sqft Exterior walls: Vinyl SidingAttached garage area: 252 sqft Trim: None
Recent residents
| Resident Name | Phone | More Info |
|---|---|---|
| Patricia A Machen, age 86 | Status: Last owner (from Sep 05, 1969 to now) Occupation: Service Occupations |
|
| Joseph P Ciambelli, age 114 | (617) 332-4655 | Status: Previous owner (from Aug 12, 1960) |
| Ida E Ciambelli | (617) 332-4655 | Status: Previous owner (from Aug 12, 1960 to Apr 21, 1982) |
| William H Jenks | Status: Previous owner (from Jul 28, 1953 to Aug 12, 1960) |
|
| Esther M Jenks | Status: Previous owner (from Jul 28, 1953 to Aug 12, 1960) |
|
| Bessie E Sanda | Status: Previous owner (to Jul 28, 1953) |
|
| Laddie A Sanda | Status: Previous owner (to Jul 28, 1953) |
|
| P Machen, age 86 |
Neighbors
Assessment history
| Year | Tax | Assessment | Market |
|---|---|---|---|
| 2016 | $527,500.00 | ||
| 2015 | $493,000.00 | ||
| 2014 | $469,400.00 | ||
| 2013 | $469,400.00 | ||
| 2012 | $469,400.00 | ||
| 2011 | $466,700.00 | ||
| 2010 | $476,200.00 | ||
| 2009 | $485,900.00 | ||
| 2008 | $485,900.00 | ||
| 2007 | $500,000.00 | ||
| 2006 | $485,400.00 | ||
| 2005 | $462,300.00 | ||
| 2004 | $428,400.00 | ||
| 2003 | $382,500.00 | ||
| 2002 | $382,500.00 | ||
| 2001 | $332,900.00 | ||
| 2000 | $304,000.00 | ||
| 1999 | $276,600.00 | ||
| 1998 | $246,300.00 | ||
| 1997 | $232,400.00 | ||
| 1996 | $221,300.00 | ||
| 1995 | $217,700.00 | ||
| 1994 | $213,400.00 | ||
| 1993 | $213,400.00 | ||
| 1992 | $219,800.00 |



